
發布時間:2023-02-01 19:17:55
信息來源: 本站
所屬分類:防爆配電箱/柜
照明(動力)防腐防爆配電箱-- 要想防爆性能好 同騰防爆電器很可靠 20年防爆資深經驗、為客戶提供防爆電器解決方案+售前-售中-售后一條龍服務-全國聯保+所有產品送貨上門+全國均有售后服務網點-讓您購買無憂、用的舒心!廠家直銷!超值特惠、咨詢還有驚喜!
13193680197
照明(動力)防腐防爆配電箱適用環境 :
1、適用于爆炸性氣體環境1區、2區場所;
2、適用于IIA、IIB、IIC類爆炸性氣體環境;
3、適用于可燃性粉塵環境21區、22區場所;
4、溫度組別:T1-T6/5/4組溫度組別;
5、適用于有高防腐要求場所;
6、廣泛用于石油開采、煉油、化工、海洋石油平臺、油輪等易燃易爆氣體環境,也用于**、金屬加工等可燃性粉塵場所。
照明(動力)防腐防爆配電箱產品特色:
1、本產品外殼采用玻璃纖維增強不飽和聚酯樹脂壓制而成,外形美觀,具有耐腐蝕、耐沖擊及熱穩定性好等優良性能;
2、蓋板上設有專用操縱機構,可實現全封閉操作。可根據要求加裝掛鎖,避免誤操作。產品在惡劣環境下也可正常操作,也保證了使用者人身安全。3、總開關,分開關操作面板區分明顯,便于現場識別;
4、內裝斷路器為特制的防爆元件;
5、總開關電流225A;
6、模塊化設計,多回路組合;
7、可根據客戶要求特制。
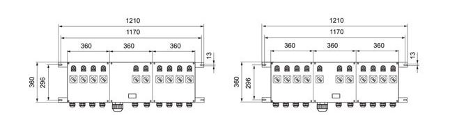
照明(動力)防腐防爆配電箱技術參數:
■執行標準:GB3836.1 、GB3836.2、GB3836.3、GB12476.1、GB12476.5、IEC60079-0、IEC60079-1、IEC60079-7、IEC61241-0、IEC61241-1、EN60079-0、EN60079-1、EN60079-7、EN61241-0、EN61241-1
■ 防爆標志: Exde IIC T5 Gb Exde IIC T4 Gb Exde IIC T6 Gb
■ 額定電壓: 380V/400V
■ 主回路額定電流:32A及以下 40A~50A 63A、80A、100A、125A、140A、160A、180A、200A、225A
■支路額定電流:1A~63A
■ 防護等級:IP65
■ 防腐等級: WF2
■內裝元件:總開關:BL8060系列防爆斷路器模塊,
支路開關: BL8060系列防爆斷路器模塊,
指示燈:BD8060系列防爆指示燈裝置,
根據用戶不同功能要求可加裝其它防爆模塊
■引入口裝置:引入裝置 規格為G1/2”~G3”,并可根據要求進行特制;
■進出線口方向:下進下出(可根據用戶要求特制);
■安裝方式:掛式(可根據用戶要求加工成立式)。



河南同騰防爆電器有限公司專業生產銷售:防爆空調、防爆除濕機、防爆加濕機、防爆風機盤管、防爆冰箱、智能型防爆空調機組、防爆風幕機、防爆干燥箱、防爆恒溫恒濕箱、防爆調溫除濕機、防爆降溫除濕機、防爆精密空調、防爆恒溫恒濕機、屋頂式防爆空調、多聯式防爆空調、風管式防爆空調、凈化型防爆空調機組、防爆配電箱、防爆正壓柜、防爆分析小屋、防爆配電柜、防爆軸流風機、防爆屋頂風機、防爆邊墻風機、防爆暖風機等。
防爆暖通系列: 業務負責人:葛經理 13193680197
防爆冰箱系列: 業務負責人:葛經理 15660190510
防爆箱柜系列: 業務負責人:許經理 17513770287
投訴電話:0377-62321988
郵箱:hnnyttfb@163.com
聯系地址:河南省南陽市鄧州產業孵化園C5棟-4層